Ventiladores centrífugos de baixa pressão
NICOTRA AT
Transmissão por correia. Turbina de pás inclinadas para a frente, cuja forma é estudada para permitir um alto rendimento, com baixa potência do motor e baixo nível de ruído.
É possível com este tipo de ventiladores, usando várias relações de transmissão, obter uma grande gama de aplicações.

São designados pela sigla “SS”
O ventilador SIMPLEX é o ventilador centrífugo tradicional.
Características principais
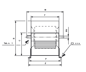
Dimensões e características técnicas |
|||||||||||||||||||||||||||||||||||||||||||||||||||||||||||||||||||||||||||||||||||||||||||||||||||||||||||||||||||||||||||||||||||||||||||||||||||||||||||||||||||||||||||||||||||||||||||||||||||||||||||||||||||||||||||||||||||||||||||||||||||||||||||||||||||||||||||||||||||||||||||||||||||||||||||||||||||||||||
|
|||||||||||||||||||||||||||||||||||||||||||||||||||||||||||||||||||||||||||||||||||||||||||||||||||||||||||||||||||||||||||||||||||||||||||||||||||||||||||||||||||||||||||||||||||||||||||||||||||||||||||||||||||||||||||||||||||||||||||||||||||||||||||||||||||||||||||||||||||||||||||||||||||||||||||||||||||||||||